HA213 一入二出隔离配电器 /隔离分配器   (2线/3线/4线制4~20mA通用)       输入/输出范围选型(代码)                     
 
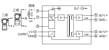
  | HA213一入二出隔离配电器,向现场的4~20mA变送器提供隔离的24V电压,并将变送器产生的4~20mA信号经隔离滤波处理,转换成2路标准信号输出。电源-输入-输出-两通道之间电磁全隔离,强大的抗电磁干扰能力,专业有效解决信号干扰/信号转换/信号传输/信号分配问题,保证系统的长期可靠稳定运行。可完全替代进口产品。    HA213一入二出隔离配电器,专业与温度变送器、压力变送器、液位变送器、流量变送器等配套使用,输出信号可接入PLC、变频器、采集板卡、上位机等,并对终端采集系统起保护作用。广泛应用于钢厂、电厂、化工厂、油田、冶金厂、水处理厂等行业中。导轨式密集安装,使用简单方便。 产品特点 l  2线/3线/4线制4~20mA通用,带对外配电24VDC l  将1路4-20mA信号隔离分为2路信号输出,并对现场仪表提供24V电源 l  超薄设计,带电插拔式端子,带电源指示,DIN35导轨密集安装 l 隔离与变送一体,输入/输出/电源/通道之间全隔离抗干扰 l 专业级抗干扰芯片,低功耗/低温漂/高精度/长寿命 l    模块化表芯设计,高品质元器件,先进的SMT表贴工艺及厚膜集成技术 应用连线  (二线/三线/四线4~20mA均可接入)                 
 原理框图 
 外形尺寸                                             选型说明 标明输入、输出信号的代码 例:输入二线制4~20mA(带配电24VDC),输出2路4~20mA,工作电源24VDC 则一入二出隔离配电器型号为HA213-1F  | ||||||||||||||||||||||||||||||||||||||||||||||||||||||||||||||||||||||||||||







    



